AZC智能電力電容補償裝置
-
18701997389
-
18217418816
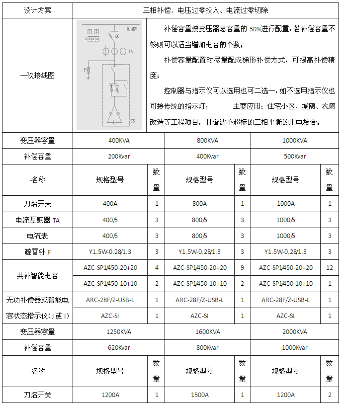
1、變壓器容量為400/800/1000/1250/1600/2000KVA的三相補償應用方案。
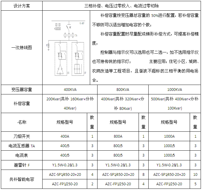
2、變壓器容量為400/800/1000/1250/1600/2000KVA的單相、三相混合補償應用方案。
外形尺寸
?
接線方式
不帶終端的共補接線圖
?
不帶終端的混補接線圖
?
帶終端的共補接線圖
?
帶終端的混補接線圖
?





















